创建剖视图
创建剖视图时,父视图可以是正交视图、向视图或局部放大视图,也可以是已有的剖视图。
操作步骤:
- 从功能区,选择剖面视图
。 - 从命令条,选择剖切面的绘制方式。
- 点绘制:点绘制有四种类型。选择一种类型,然后在父视图放置或绘制剖切线。
- 草图绘制:选择一个父视图,进入剖切平面环境,绘制剖切线后,退出剖切平面环境。
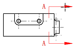
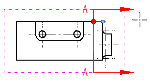
- 已有剖切平面:在父视图中选择一个已有的剖切符号。
- 点绘制:点绘制有四种类型。选择一种类型,然后在父视图放置或绘制剖切线。
- 绘制剖切线后,在合适的位置单击以定义投射方向。
- 如果剖切面的第一条线与最后一条线不平行,则单击第一条线或最后一条线以定义剖视图的折角。
- 在命令条上,设置您要使用的剖视图选项。
- 在合适的位置单击以放置剖视图。
Tip:
- 一个剖切面只能用于创建一个剖视图。
- 可以使用填充和剖面线样式来定义断面的图案。
- 在剖视图创建完成后,如果对剖视图进行了更改(例如更改断面线的样式、更改剖视图的类型),则部视图四周会出现一个灰色的实线框,表示视图已过时。需要使用更新视图命令进行更新。
